|
產品分類
氣動閥
電動閥
球閥
蝶閥
風閥
閘截止閥
氣動執行器
電動執行器
電動調節閥
氣動調節閥
氣動元件
Airtorque
i-Tork
SUNYEH
SIRCA
HIGHRATE
SEFORT
VEAPON
|
|
i-Tork
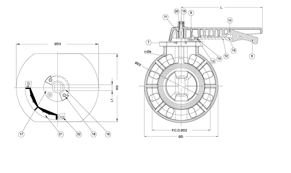
【i-Tork】電動PVC/UPVC蝶閥
產品品牌:i-Tork 電源控制:開關型、調節型 閥體材質:UPVC、CPVC
連接方式:對夾 環境溫度:標準型-20℃~+70℃ 介質溫度:-20℃~+300℃
QQ:2452931856/2361134893
電話/微信:13390906260
產品細節 產品特點
體積小 重量輕占空比高。 與行星齒輪相結合,效率高。 適用于開關型小型球閥/旋塞閥和擋板自動化控制。 電機特殊設計的感應電機,啟動扭矩高,有過熱保護。

|
|